
交流耐壓試驗是對電氣設備絕緣外加交流試驗電壓,該試驗電壓比設備的額定工作電壓要高,并持續一定的時間(一般為1min)。交流耐壓試驗是一種最符合電氣設備的實際運行條件的試驗,是避免發生絕緣事故的一項重要的手段。因此,交流耐壓試驗是各項絕緣試驗中具有決定性意義的試驗。
但是,交流耐壓試驗也有缺點,它是一種破壞性的試驗;同時,在試驗電壓下會引起絕緣內部的累積效應。因此,對試驗電壓值的選擇是十分慎重的,對于同一設備的新舊程度和不同的設備所取的數值是不同的,在我國《電力設備預防性試驗規程》中已作了有關的規定。
一、交流耐壓試驗接線原理
交流耐壓試驗的接線,應按被試品的要求(電壓、容量)和現有試驗設備條件來決定。通常試驗時采用是高壓成套設備(包括高壓試驗變壓器及試驗變壓器控制箱/臺)。圖1-1中給出交流工頻耐壓試驗的接線圖。
在圖中接于測量線圈P1、P2的電壓表屬于低壓側測量,可以通過變比換算到高壓側。而接于C1和C2之間電壓表屬于高壓側測量,這是現場常用的方法,它可以避免由于容性電流而使被試設備端電壓升高所帶來的影響。
我國的試驗變壓器有各種電壓和容量等級,各單位在購置試驗變壓器時應對本單位的電氣設備在實驗電壓下的充電進行計算,根據充電電流小于試驗變壓器的額定輸出電流的原則來選擇試驗變壓器的容量。而充電電流可以用被試物的電容 來估算(I沖=U試驗電壓ωCX),CX可用西林電橋來測定。
二、串聯諧振、并聯諧振及串并聯諧振的試驗方法
對于大型發電機組、變壓器、GIS、交聯電纜等大容量較大的試品的交流耐壓試驗,需要大容量的試驗變壓器、調壓器以及電源。現場往往難以辦到,即使有試驗設備,也需動用大型汽車、吊車等,費力費時。在此情況下,可根據具體情況分別采用串聯諧振、并聯諧振或串并聯諧振的方法來進行現場試驗。串并聯諧振可通過調節電感來實現,也可通過調節頻率或電容來實現。但該試驗大多是針對現場大電容設備進行的,因而電容是確定的,一般采用調感或調頻來進行諧振補償。
1.串聯補償
當試驗變壓器的額定電壓小于所需試驗電壓,但電流額定量能滿足試品試驗電流的情況下,可采用串聯補償的方法進行試驗。
串聯補償的接線如圖1-2所示,其等效電路及向量圖如圖1-3所示。
補償電抗及試品電容組成串聯回路。當采用可調式電抗器進行補償時,可調節XL,讓其值與XC值相等,此時回路發生串聯諧振,可在試品上產生十倍于試驗變壓器輸出電壓的電壓,從而大大降低了試驗變壓器的額定電壓和容量。
當采用串聯補償時,雖然試驗變壓器輸出電壓較低,但對電抗器卻要求有與試品相同的耐壓水平。另一方面,串聯補償時,當回路達到XL=XC,并且回路電阻很小時,則可能在試品上出現危險的過電壓,因此采用串聯補償,應注意避免產生諧振,并且采用補償電抗器最好采用空心繞組的,因為有鐵心的電抗器容易造成非線性的諧振。
當試品電壓較高時,可采用多個分離電抗器疊加形成補償電抗,當采用補償電抗器進行補償時,補償電抗器的調節可通過多臺小電抗的串聯、并聯及改變分接頭位置來實現。
利用串聯諧振做耐壓試驗有兩個優點:①若被試品擊穿,則諧振終止,高壓消失;②擊穿后電流下降,不致于造成被試品擊穿點擴大。
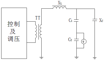
2.并聯諧振(電流諧振)法
當試驗變壓器的額定電壓能滿足試驗電壓的要求,但電流達不到被試品所需的試驗電流時,可采用并聯諧振對電流加以補償,以解決容量不足的問題。
其接線圖如圖1-4示,并聯回路兩支路的感抗和容抗分別為XC和XL,當XC=XL時,回路產生諧振。這時雖然兩個支路的電流都很大,但回路的總電流I≈0,XC上的電壓等于電源電壓。當采用可調式電抗器進行補償時,調節補償電抗,使補償電流與試驗電流相等,就可使變壓器的輸出電流很小。
3.串并聯諧振法
除了以上的串聯、并聯諧振外,當試驗變壓器的額定電壓和額定電流都不能滿足試驗要求時,可同時運用串、并聯諧振電路,通常成為串并聯補償法,其接線如圖1-6所示。對要求試驗電壓高、電容量大的被試品,常采用此接線。
4.采用串聯、并聯諧振和串并聯諧振法的注意事項
①電源電壓和頻率要求穩定,應避免用電阻器調壓;
②回路電阻R1要求足夠的熱容量,并保持穩定;
③試驗電壓直接在被試品兩端測量;
④電感線圈應滿足電流和絕緣強度的要求;
⑤對于并聯諧振法,當被試品擊穿而諧振停止時,試驗變壓器有過流的可能,因此,要求過流速斷保護能可靠動作;
⑥對于串聯諧振法,當被試品擊穿時,回路中的電流減小電壓降低,所以,除了正常的過流保護外,還應有欠壓保護措施。